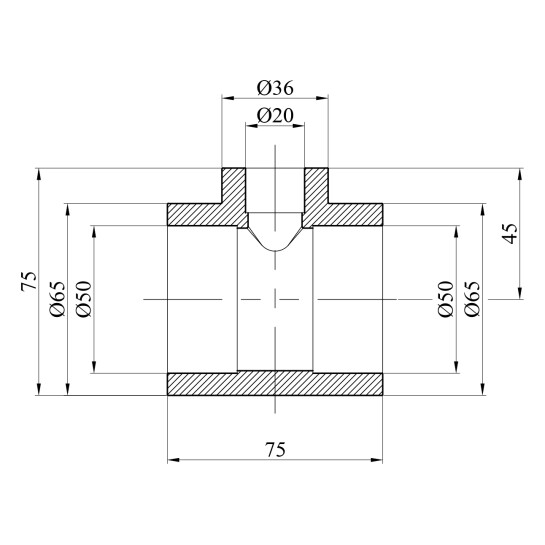
Трійник перехідний PPR Baux 50х20х50 мм
Категорія: Трійники ППР
Бренд: Baux
РРЦ: 44 грн.
Ящик: 60 шт
Додатково: Виробник залишає за собою право вносити зміни до комплектації та конструкції виробів, що не погіршують якість, без попереднього повідомлення
Кількість вантажних місць: 1
Колір: Сірий
Країна реєстрації бренду: Польща
Країна-Виробник: Україна
Матеріал: Поліпропілен
Тип виробу: Трійник перехідний
Вага нетто, кг: 0,112
Габарити виробу (ВхШхГ), мм: 75х75х65
Діаметр підключення: 50х20х50 мм
Вид підключення: Паяння
Робоче середовище: Вода
Номінальний тиск PN: 25
Максимальна робоча температура, °С: До 95
Опис до товару: Трійник перехідний PPR Baux 50х20х50 мм

Трійник перехідний PPR Baux 50х20х50 мм — це з'єднувальний елемент для створення перехідного з'єднання між трубами з поліпропілену (PPR), що дає змогу об'єднувати елементи з різними діаметрами в єдиній системі. Виготовлений за стандартом Baux, цей трійник забезпечує надійне, герметичне і довговічне з'єднання, що особливо важливо для стабільної роботи систем водопостачання, опалення та каналізації.
Основні характеристики:
Матеріал: високоякісний поліпропілен (PPR).
Розміри з'єднання: 50 мм - 20 мм - 50 мм (позначають розміри труб або переходів).
Тип з'єднання: перехідне (дає змогу з'єднувати труби з різними діаметрами).
Робоча температура: до +95°C.
Робочий тиск: до 25 Bar.
Метод монтажу: використовується пайка PPR, що забезпечує високу герметичність і надійність з'єднання.
Переваги:
Герметичність: забезпечує надійне з'єднання без протікання.
Універсальність: дозволяє об'єднувати труби різних діаметрів для оптимального розподілу потоку.
Довговічність: стійкий до впливу ультрафіолетового випромінювання, хімічних речовин і температурних коливань.
Простота монтажу: стандартні розміри та конструкція сприяють легкому встановленню та обслуговуванню.
Область застосування:
Системи водопостачання та опалення в житлових, комерційних і промислових об'єктах.
Інженерні мережі, де потрібне якісне перехідне з'єднання труб.
Сантехнічні установки та розподільні вузли, що вимагають надійних трубопровідних з'єднань.
Трійник перехідний PPR Baux 50х20х50 мм — це практичне і надійне рішення для створення якісних трубопровідних з'єднань, що забезпечує стабільну роботу інженерних систем завдяки високій герметичності, міцності та універсальності застосування.